您选择的是最快速、最容易、最优秀的工业品选型网站!
免费热线:
400-997-9962
首页
客户入口
注册
您好!
[
退出
]
购物车(
)
需求清单(
)
个人中心
帮助
收藏本站
供应商入口
全部产品
电机选型
模组选型
品牌专区
供应商
现货库存
技术中心
技术资料
行业应用
视频专题
帮助指南
气动元件
执行元件
电磁阀
执行元件
标准型气缸
紧凑型气缸
气动滑台
带导杆气缸
无杆气缸
气爪
摆动气缸
锁紧气缸
夹紧气缸
止动气缸
带阀气缸
气动分割器
气液单元
气动隔膜泵
特殊气缸
相关附属元件
方向控制阀
电磁换向阀
气控换向阀
机械/手动换向阀
单向阀
双压阀
梭阀
流体方向控制元件
方向控制阀配件
管路与管接头
通用管接头
特殊环境用管接头
管子
管配件附属元件
气源处理元件
压缩空气清净化元件
压缩空气清净化过滤器系列
模块式F.R.L.
减压阀
电-气比例阀
增压阀
润滑元件
配件
真空帮辅
空气压缩机
流量控制元件
速度控制阀
节流阀
快速排气阀
节气阀
压力/流量/温度等检测控制元件
压力开关
流量开关
温度控制元件
气动辅助元件
消声器
排气洁净器
喷枪
压力表
静电消除器
其他辅助元件
真空元件
真空发生器
真空过滤器
真空吸盘
真空系统关联元件
推荐品牌
直线运动零件
滚珠丝杠
单轴机器人
直线驱动单元/线性模组
单轴机器人
单轴驱动器
多轴线性模组
滚珠丝杠
精密滚珠丝杠
压轧滚珠丝杠
梯形丝杠、滑动丝杠
30度梯形丝杠、螺帽
花键
滚珠导向轴
花键螺帽
直线导轨
中、重载用
微小型
其他线性导轨
直线导轨相关零件
滑袋、V型导轨、线性滑轨
滑动组件
线性导向轴
标准线性导向轴(实心轴)
管型线性导向轴(中空轴)
直线轴承
直线轴承 直柱型
直线轴承 带法兰型
直线轴承 固定座
线性滚珠衬套
直线轴承相关零件
交叉滚子
交叉滚子导轨
交叉滚子滑台
交叉滚子轴承
线性滚珠滑套
滚子配件
支座组件
其他直线运动相关零件
滚针导向
导轨库浪霸
直线运动辅助配件
无油衬套、垫圈
衬套 金属
衬套 多层
垫圈 金属
垫圈 多层
无油板、导轨
无油润滑板
无油素材(润滑板)
电缆保护链
推荐品牌
轴承、连轴器
轴承
联轴器、轴接头
轴承
径向接触球轴承
深沟球轴承
角接触球轴承
轴向接触(推力)球轴承
调心球轴承
径向圆柱滚子轴承
推力滚子轴承
圆锥滚子轴承
调心滚子轴承
滚针轴承
外球面轴承
关节轴承
鼓形滚子轴承
组合轴承
专业轴承
轴承安装/定位/保养相关配件及工具
轴承座
紧定套
推卸套
锁紧螺母
液压螺母
锁紧垫圈/止动块
轴承安装拆卸等相关治工具
轴承润滑剂
特殊轴承配件
联轴器
膜片型联轴器
十字型联轴器
沟槽型联轴器
弹性间隔体型(爪型/梅花型)联轴器
波纹型联轴器
刚性型联轴器
高减振橡胶型联轴器
轴承组件
轴承随动器
齿轮 齿条
推荐品牌
马达、减速机
马达
减速机
电机(马达)、驱动控制器
直流伺服电机(马达)
交流伺服电机(马达)
直线电机(马达)
步进电机(马达)
直驱电机(马达)
直流通用电机(马达)
交流通用电机(马达)
调速电机(马达)
其它电机(马达)控制相关配件
变频器
步进驱动器
伺服驱动器
其它电机(马达)控制器
减速机
旋转平台
推荐品牌
传感器
FA光传感器
光电开关
槽型光电开关
反射板型光电开关
多类型光电开关
光纤传感器
超声波传感器
位移传感器
图像识别传感器
光遥控器
障碍物检测与安全防护
计数器
光信号传送器
推荐品牌
AIM(广东霭瑞盈智能设备有限公司)
您的位置:
工厂自动化零件
>
直线运动零件
>
超长型系列
80L 半密超长型同步带电缸
型号
追加工不完整
数量:
我要询价
加入需求清单
PDF
2D下载
产品收藏
类似产品
加入产品比较
详细规格参数
3D预览
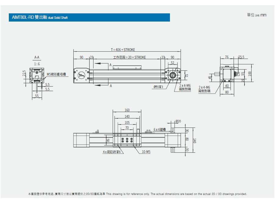
尺寸图
型号列表
规格表
供应商
3D格式
STP
IGES
SAB
SAT
X_B
X_T
STL
DWG
下载3D文件
发送邮件
生成3D预览型号:
展示更多>>
供应商
类型
地区
起订数量
参考价格
交易
广东霭瑞盈智能设备有限公司
品牌厂商
广东省 东莞市
1
待询价
询价
全部清除
需求
清单
0
未读
报价
0
0
分享
建议
反馈
返回
顶部